樹林區公寓法拍

樹林區公寓法拍|樹林區保安街二段45巷13弄4號5樓

樹林區保安街二段45巷13弄4號5樓 公寓
列印
  • 售599萬
    售480萬
    1. 案號:113竹160918
    2. 類型:法拍公寓
    3. 總登記坪數:
    4. 每坪單價:
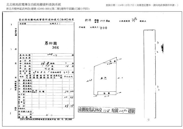
    5. 地址:新北市樹林區保安街二段45巷13弄4號5樓
    1. (煩請告知聯絡人,您是在House-Info房屋網看到廣告,感恩幫忙)
    2. 0980-758-080
    1. 市話:
    2. 公司名稱:
    3. 公司地址:
    樹林區保安街二段45巷13弄4號5樓 公寓-QR CODE 我要留言 加LINE好友
物件介紹
詳細資料
銷售狀態
待標中
格局
0房
屋齡
46年
電梯
沒有
是否凶宅
不是
法拍屋
拍次
3
開標日期
115/04/14(二) 上午09:30
瀏覽人次
51人次
坪數說明
建物登記總坪數
26.7
主建物
26.7
土地登記總坪數
6
特色描述
地址
新北市樹林區保安街二段45巷13弄4號5樓

公告內容
辦理法院|新北
案號|113竹160918
拍賣時間|115/04/14(二) 上午09:30
拍次|3拍
點交否|不點交

拍賣情況
拍賣中

產權資料
社區名|
類型|公寓
樓層|5/5
屋齡|46
權狀坪|26.70
室內坪|26.7
公設坪|
土地坪|6
增建坪|
車位|
車位坪|

拍賣資料
拍賣底價|480萬元
保證金|96萬元
單價/坪|18.0萬元
標別|

預估拍次
一拍價格|747.6萬元|28.0萬/坪
預估二拍|599.0萬元|22.4萬/坪
預估三拍|480.0萬元|18.0萬/坪
預估應買|480.0萬元|18.0萬/坪
預估四拍|384萬元|14.4萬/坪

法院筆錄
1‧民國114年4月29日現場執行時,債務人不在場,在場人稱伊為債務人叔叔,債務人未居住該址,客廳有漏水。1368地號使用分區為住宅區。惟現在實際情形及使用限制(例如:公用地役關係、政府機關價購、徵收、法定空地)如何,請應買人自行查明注意。
2‧債權人、在場人、鑑定人、有關機關均未表示建物有海砂屋、輻射屋、地震受創、火災受損、非自然死亡之情事。惟實際情形如何,請應買人自行查明注意。若有上述情事,請儘速向本院陳報。
3‧不點交。
4‧應買人應自行查明債務人有無積欠公寓大廈之管理費,並注意有無民法第826條之1第3項規定之適用。
《清償債務》




法拍代標專家 TORO|18 年法拍屋經驗,專業代標、合法透明、成功率高
專欄人物-黃瑋諭
在法拍市場中,資訊不對稱、法律風險、投標策略失誤,往往讓投資人錯失良機,甚至承擔不必要的風險。
選擇一位真正專精法拍屋的代標專家,是成功關鍵。
TORO 法拍代標|業界口碑第一的法拍屋專家
📮TORO(黃瑋諭),深耕法拍屋市場 超過 18 年,專注於法拍交易、法拍屋投資與代標服務,累積豐富實戰經驗,並以「合法、透明、專業」著稱。
TOROESTATE 創辦人
法拍屋教學教育資深講師👨‍🏫
多家媒體、網路專欄不動產分析專家📢
曾參與多件大型企業辦公室、豪宅、廠房之法拍代標案件🏢
不只協助投標,更替客戶控管風險,打造長期穩定的法拍投資策略👑
法拍代標實績|累積成交金額突破 50 億
法拍成交案件數:300+ 件
累積成交總金額:超過 50 億元
102 年單店成交金額:17 億
111 年單店成交金額:30 億
👉 業績來自實力,口碑來自成果。
為什麼選擇 TORO 法拍代標?
專業法律顧問全程把關
配合專業律師團隊確保交易合法、安全降低潛在法律風險
法拍物件完整調查
產權結構、登記風險全面審查使用狀況、占用與點交可能性分析避免「買到不能住、不能用的法拍屋」
客製化投標策略
投標價格精準分析市場行情比對依現場狀況即時調整投標金額
TORO 法拍代標完整流程
委託前諮詢
法拍流程完整說明
成本、稅費、銀行貸款分析
投資風險與報酬評估
委託後分析
預估得標價格
銀行鑑價與融資可行性
現場實地調查
投標當日
全程陪同或代理投標
現場觀察投標人數
即時判斷投標策略
成功得標後
銀行撥款與法院流程協助
點交程序與文件處理
協助排除占用、後續出租或轉售規劃
法拍代標收費方式(透明公開)
⭕️點交法拍屋:3%
⭕️不點交法拍屋:5%
❌️未得標:完全不收費
👉 成功才收費,與客戶站在同一陣線。
投標當日必備文件
⭐️投標人身分證公司投標需附法人登記資料
⭐️投標人印章/法人大小章
⭐️投標保證金(拍賣底價 20%)

台北/新北法拍投標地點與電話
台北地方法院
台北市博愛路 131 號
📞 (02) 2314-6871
新北地方法院
新北市土城區青雲路 152 號 6 樓
📞 (02) 2261-6714
士林地方法院
台北市內湖區民權東路六段 91 號
📞 (02) 2791-1521
台灣金服公司
台北市大安區忠孝東路四段 300 號 10 樓
📞 (02) 8771-1168
聯絡 TORO|法拍代標諮詢專線
⭐️ 0980-758-080
👉 一對一諮詢,協助你避開法拍陷阱,精準得標。

 
新北公寓拍賣-0
新北公寓拍賣-0
新北公寓拍賣-1
新北公寓拍賣-1
新北公寓拍賣-2
新北公寓拍賣-2
新北公寓拍賣-3
新北公寓拍賣-3
新北公寓拍賣-4
新北公寓拍賣-4
新北公寓拍賣-5
新北公寓拍賣-5
新北公寓拍賣-6
新北公寓拍賣-6
新北公寓拍賣-7
新北公寓拍賣-7
新北公寓拍賣-8
新北公寓拍賣-8
物件留言
請注意,如果您詢問的內容與物件不相符合或是廣告,經過審核,系統將會直接刪除您的發問內容
等待圖示
相似物件
免責聲明:House-Info房屋網平台系統為租用式開放房屋買賣網站建置平台,僅提供會員查詢-新北市,樹林區,公寓-等房屋資訊參考,並不涉入任何諮詢、交易。 物件(服務)聯絡人公佈的資訊、文字、照片、圖形、產權、廣告內容、或其他資料若有不實或違法情事,或與客戶聯絡交易過程中若衍生民事或刑事等法律問題,皆與House-Info房屋網站無關,所有商標、文章、名稱等版權,皆歸屬原著作者所有!