台北市士林區公寓法拍

法拍屋查詢,法拍屋流程,法拍屋代標

台北市士林區公寓法拍|台北市士林區重慶北路四段220巷37號1樓

士林區重慶北路四段220巷37號1樓 靜巷公寓
列印
  • 售1592萬
    售1275萬
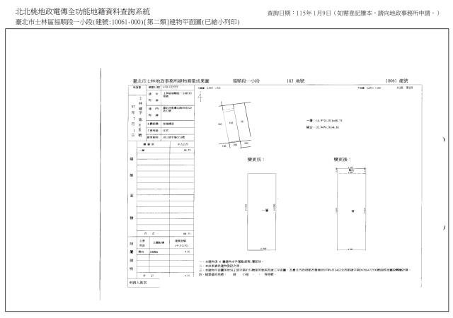
    1. 案號:114實54654
    2. 類型:法拍公寓
    3. 總登記坪數:
    4. 每坪單價:
    5. 地址:台北市士林區重慶北路四段220巷37號1樓
    1. (煩請告知聯絡人,您是在House-Info房屋網看到廣告,感恩幫忙)
    2. 0980-758-080
    1. 市話:
    2. 公司名稱:
    3. 公司地址:
    士林區重慶北路四段220巷37號1樓 靜巷公寓-QR CODE 我要留言 加LINE好友
物件介紹
詳細資料
銷售狀態
待標中
格局
0房
屋齡
50年以上
所在樓層
1樓/共4樓
電梯
沒有
是否凶宅
不是
法拍屋
拍次
2
開標日期
115/03/25(三)
瀏覽人次
48人次
坪數說明
建物登記總坪數
22.19
主建物
22.19
增建
1.19
土地登記總坪數
7.41
特色描述
地址
台北市士林區重慶北路四段220巷37號1樓

公告內容
辦理法院|士林
案號|114實54654
拍賣時間|115/03/25(三)下午14:30
拍次|2拍
點交否|點交

拍賣情況
拍賣中

產權資料
社區名|
類型|公寓
樓層|1/4
屋齡|57
權狀坪|22.19
室內坪|23.38
公設坪|
土地坪|7.41
增建坪|1.19
車位|
車位坪|

拍賣資料
拍賣底價|1275萬元
保證金|256萬元
單價/坪|57.5萬元
標別|

預估拍次
一拍價格|1592萬元|71.7萬/坪
預估二拍|1275萬元|57.5萬/坪
預估三拍|1020萬元|46.0萬/坪
預估應買|1020萬元|46.0萬/坪
預估四拍|816萬元|36.8萬/坪

法院筆錄
1‧10061建號、11269建號拍定後點交。
2‧民國114年6月19日現場查封、指界時,據地政人員指出184地號土地係10061建號前方道路用地;債務人母親吳○華在場稱10061建號建物為其及女兒居住使用,廚房走道以前有漏水,鄰居整理完後已無漏水。依強制執行法第113條準用第69條之規定,拍賣物買受人就物之瑕疵無擔保請求權,不得於拍定後主張,請應買人留意。惟現在實際情形如何,仍請應買人自行查明注意。
3‧11269建號係未登記建物,位於廚房,據現場照片顯示與主建物(10061建號)內部相通,且無獨立出入口。臺北市建築管理工程處於114年7月29日函覆稱:係位於1樓後之水平增建違章建築,現況無明確事證可茲證明係新違建或既存違建等語。拆除風險請應買人自行注意,本件拍賣係以建物現況拍賣,當事人及拍定人均不得以面積不符,請求增減價金,拍定後無法以權利移轉證書辦理建物登記。
4‧184地號土地實際坐落地點、範圍,以地政機關之地籍圖及實際測量結果為準。土地使用分區於投標時是否已變更,仍請投標人自行查明注意後再行投標。《拍賣抵押物》




法拍代標專家 TORO|18 年法拍屋經驗,專業代標、合法透明、成功率高
專欄人物-黃瑋諭
在法拍市場中,資訊不對稱、法律風險、投標策略失誤,往往讓投資人錯失良機,甚至承擔不必要的風險。
選擇一位真正專精法拍屋的代標專家,是成功關鍵。
TORO 法拍代標|業界口碑第一的法拍屋專家
📮TORO(黃瑋諭),深耕法拍屋市場 超過 18 年,專注於法拍交易、法拍屋投資與代標服務,累積豐富實戰經驗,並以「合法、透明、專業」著稱。
TOROESTATE 創辦人
法拍屋教學教育資深講師👨‍🏫
多家媒體、網路專欄不動產分析專家📢
曾參與多件大型企業辦公室、豪宅、廠房之法拍代標案件🏢
不只協助投標,更替客戶控管風險,打造長期穩定的法拍投資策略👑
法拍代標實績|累積成交金額突破 50 億
法拍成交案件數:300+ 件
累積成交總金額:超過 50 億元
102 年單店成交金額:17 億
111 年單店成交金額:30 億
👉 業績來自實力,口碑來自成果。
為什麼選擇 TORO 法拍代標?
專業法律顧問全程把關
配合專業律師團隊確保交易合法、安全降低潛在法律風險
法拍物件完整調查
產權結構、登記風險全面審查使用狀況、占用與點交可能性分析避免「買到不能住、不能用的法拍屋」
客製化投標策略
投標價格精準分析市場行情比對依現場狀況即時調整投標金額
TORO 法拍代標完整流程
委託前諮詢
法拍流程完整說明
成本、稅費、銀行貸款分析
投資風險與報酬評估
委託後分析
預估得標價格
銀行鑑價與融資可行性
現場實地調查
投標當日
全程陪同或代理投標
現場觀察投標人數
即時判斷投標策略
成功得標後
銀行撥款與法院流程協助
點交程序與文件處理
協助排除占用、後續出租或轉售規劃
法拍代標收費方式(透明公開)
⭕️點交法拍屋:3%
⭕️不點交法拍屋:5%
❌️未得標:完全不收費
👉 成功才收費,與客戶站在同一陣線。
投標當日必備文件
⭐️投標人身分證公司投標需附法人登記資料
⭐️投標人印章/法人大小章
⭐️投標保證金(拍賣底價 20%)

台北/新北法拍投標地點與電話
台北地方法院
台北市博愛路 131 號
📞 (02) 2314-6871
新北地方法院
新北市土城區青雲路 152 號 6 樓
📞 (02) 2261-6714
士林地方法院
台北市內湖區民權東路六段 91 號
📞 (02) 2791-1521
台灣金服公司
台北市大安區忠孝東路四段 300 號 10 樓
📞 (02) 8771-1168
聯絡 TORO|法拍代標諮詢專線
⭐️ 0980-758-080
👉 一對一諮詢,協助你避開法拍陷阱,精準得標。

 
台北公寓法拍-0
台北公寓法拍-0
台北公寓法拍-1
台北公寓法拍-1
台北公寓法拍-2
台北公寓法拍-2
台北公寓法拍-3
台北公寓法拍-3
台北公寓法拍-4
台北公寓法拍-4
台北公寓法拍-5
台北公寓法拍-5
台北公寓法拍-6
台北公寓法拍-6
台北公寓法拍-7
台北公寓法拍-7
台北公寓法拍-8
台北公寓法拍-8
物件留言
請注意,如果您詢問的內容與物件不相符合或是廣告,經過審核,系統將會直接刪除您的發問內容
等待圖示
相似物件
免責聲明:House-Info房屋網平台系統為租用式開放房屋買賣網站建置平台,僅提供會員查詢-台北市,士林區,公寓-等房屋資訊參考,並不涉入任何諮詢、交易。 物件(服務)聯絡人公佈的資訊、文字、照片、圖形、產權、廣告內容、或其他資料若有不實或違法情事,或與客戶聯絡交易過程中若衍生民事或刑事等法律問題,皆與House-Info房屋網站無關,所有商標、文章、名稱等版權,皆歸屬原著作者所有!