鶯歌區公寓法拍

法拍屋查詢,法拍屋流程,法拍屋代標

鶯歌區公寓法拍|新北市鶯歌區鶯桃路91巷20弄2號1樓

新北市鶯歌區鶯桃路91巷20弄2號1樓
列印
  • 售1869萬6000元
    售1495萬7000元
    1. 案號:115職二24甲金
    2. 類型:法拍公寓
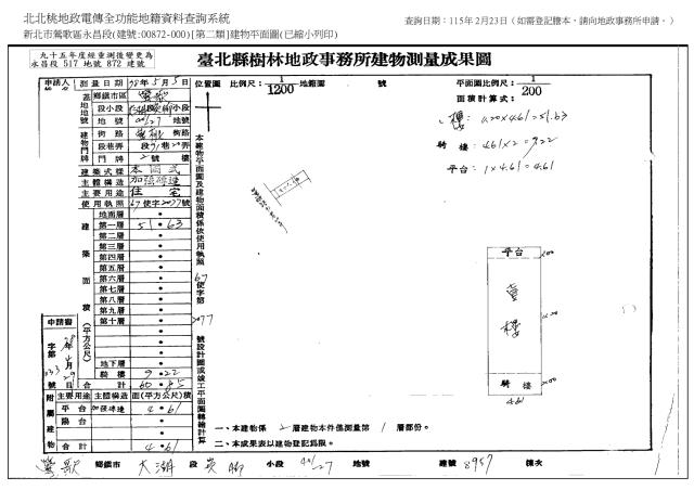
    3. 總登記坪數:
    4. 每坪單價:
    5. 地址:新北市鶯歌區鶯桃路91巷20弄2號1樓
    1. (煩請告知聯絡人,您是在House-Info房屋網看到廣告,感恩幫忙)
    2. 0980-758-080
    1. 市話:
    2. 公司名稱:
    3. 公司地址:
    新北市鶯歌區鶯桃路91巷20弄2號1樓-QR CODE 我要留言 加LINE好友
物件介紹
詳細資料
銷售狀態
已成交
格局
0房
屋齡
48年
所在樓層
1樓/共2樓
電梯
未知
是否凶宅
不是
法拍屋
拍次
3
開標日期
115/04/29(三) 上午10:30
瀏覽人次
40人次
坪數說明
建物登記總坪數
19.8
主建物
19.8
增建
56.33
土地登記總坪數
29.74
特色描述
拍定1495.7萬/承買

地址
新北市鶯歌區鶯桃路91巷20弄2號1樓

公告內容
辦理法院|金服
案號|115職二24甲金
拍賣時間|115/04/29(三) 上午10:30
拍次|3拍
點交否|點交

拍賣情況
拍賣中

產權資料
社區名|
類型|公寓
樓層|1/2
屋齡|48
權狀坪|19.8
室內坪|76.13
公設坪|
土地坪|29.74
增建坪|56.33
車位|
車位坪|

拍賣資料
拍賣底價|1495.7萬元
保證金|299萬元
單價/坪|75.5萬元
標別|甲

預估拍次
一拍價格|2337.0萬元|118.0萬/坪
預估二拍|1869.6萬元|94.4萬/坪
預估三拍|1495.7萬元|75.5萬/坪
預估應買|1495.7萬元|75.5萬/坪
預估四拍|1196.5萬元|60.4萬/坪

法院筆錄
1‧法院現場查封時,債務人黃O嵐在場表示,房屋現為債務人劉O衢居住使用。另依債權人提出之照片,屋內有神明桌,增建部分有部分油漆剝落情形。
2‧本件1474建號建物係未辦理保存登記之增建物,拍定後,拍定人無法持法院核發之權利移轉證書辦理所有權登記,且須承擔被拆除之風險。依據新北市政府違章建築拆除大隊函示,該增建為垂直增建違章建築,並有違建位置為法定空地,屬既存違章建築,列入分類分期處理,惟經查認影響公共安全,或經發現屬新建造之違章建築,或被列入專案處理者,限期拆除。又本件拍賣以建物現況拍賣,當事人及拍定人均不得以面積不符,請求增減價金,請投標人注意。
3‧本件標的分標拍賣。如有數標拍定,且拍定價額超過本件執行之債權額時,債務人得到場指定拍定之標的物,否則逕依上開標別次序拍定。又如其中一標賣得價金足以清償強制執行之債權額及債務人應負擔之費用時,其餘各標雖達底價,仍不為拍定,縱已拍定,法院亦得職權撤銷拍定。
4‧本件標的物原所有人或使用人如有積欠工程受益費及水電、瓦斯或管理費等費用,應由拍定人自行與相關單位洽商解決。
5‧本件標的建物,法院已儘量將調查所得之輻射屋、海砂屋、地震受創、嚴重漏水、火災受損、建物內有非自然死亡或其他足以影響交易之特殊情事等項,於使用情形欄載明,如使用情形欄未特別載明,即表示經法院以現場調查等方式予以調查後尚未發現有上開影響交易價格之情形。惟鑑於司法資源有限,及債權人、債務人所揭露之資訊未必完全真實,縱經法院以通常方式予以調查,仍難保證絕無上情,應買人應於投標前至現場查訪,多方蒐集資訊,拍定後買受人就物之瑕疵無擔保請求權,得標後不得再執此理由聲明異議,請投標人自行查明注意。
6‧刊登於網路之公告內容如與法院公告欄張貼之公告內容不符時,一律以法院公告欄張貼之拍賣公告內容為準。
《新北地方法院案號:113年度司執喜字第160327號,拍賣抵押物》




法拍代標專家 TORO|18 年法拍屋經驗,專業代標、合法透明、成功率高
專欄人物-黃瑋諭
在法拍市場中,資訊不對稱、法律風險、投標策略失誤,往往讓投資人錯失良機,甚至承擔不必要的風險。
選擇一位真正專精法拍屋的代標專家,是成功關鍵。
TORO 法拍代標|業界口碑第一的法拍屋專家
📮TORO(黃瑋諭),深耕法拍屋市場 超過 18 年,專注於法拍交易、法拍屋投資與代標服務,累積豐富實戰經驗,並以「合法、透明、專業」著稱。
TOROESTATE 創辦人
法拍屋教學教育資深講師👨‍🏫
多家媒體、網路專欄不動產分析專家📢
曾參與多件大型企業辦公室、豪宅、廠房之法拍代標案件🏢
不只協助投標,更替客戶控管風險,打造長期穩定的法拍投資策略👑
法拍代標實績|累積成交金額突破 50 億
法拍成交案件數:300+ 件
累積成交總金額:超過 50 億元
102 年單店成交金額:17 億
111 年單店成交金額:30 億
👉 業績來自實力,口碑來自成果。
為什麼選擇 TORO 法拍代標?
專業法律顧問全程把關
配合專業律師團隊確保交易合法、安全降低潛在法律風險
法拍物件完整調查
產權結構、登記風險全面審查使用狀況、占用與點交可能性分析避免「買到不能住、不能用的法拍屋」
客製化投標策略
投標價格精準分析市場行情比對依現場狀況即時調整投標金額
TORO 法拍代標完整流程
委託前諮詢
法拍流程完整說明
成本、稅費、銀行貸款分析
投資風險與報酬評估
委託後分析
預估得標價格
銀行鑑價與融資可行性
現場實地調查
投標當日
全程陪同或代理投標
現場觀察投標人數
即時判斷投標策略
成功得標後
銀行撥款與法院流程協助
點交程序與文件處理
協助排除占用、後續出租或轉售規劃
法拍代標收費方式(透明公開)
⭕️點交法拍屋:3%
⭕️不點交法拍屋:5%
❌️未得標:完全不收費
👉 成功才收費,與客戶站在同一陣線。
投標當日必備文件
⭐️投標人身分證公司投標需附法人登記資料
⭐️投標人印章/法人大小章
⭐️投標保證金(拍賣底價 20%)

台北/新北法拍投標地點與電話
台北地方法院
台北市博愛路 131 號
📞 (02) 2314-6871
新北地方法院
新北市土城區青雲路 152 號 6 樓
📞 (02) 2261-6714
士林地方法院
台北市內湖區民權東路六段 91 號
📞 (02) 2791-1521
台灣金服公司
台北市大安區忠孝東路四段 300 號 10 樓
📞 (02) 8771-1168
聯絡 TORO|法拍代標諮詢專線
⭐️ 0980-758-080
👉 一對一諮詢,協助你避開法拍陷阱,精準得標。

 
新北鶯歌公寓拍賣-0
新北鶯歌公寓拍賣-0
新北鶯歌公寓拍賣-1
新北鶯歌公寓拍賣-1
新北鶯歌公寓拍賣-2
新北鶯歌公寓拍賣-2
新北鶯歌公寓拍賣-3
新北鶯歌公寓拍賣-3
新北鶯歌公寓拍賣-4
新北鶯歌公寓拍賣-4
新北鶯歌公寓拍賣-5
新北鶯歌公寓拍賣-5
新北鶯歌公寓拍賣-6
新北鶯歌公寓拍賣-6
新北鶯歌公寓拍賣-7
新北鶯歌公寓拍賣-7
物件留言
請注意,如果您詢問的內容與物件不相符合或是廣告,經過審核,系統將會直接刪除您的發問內容
等待圖示
相似物件
免責聲明:House-Info房屋網平台系統為租用式開放房屋買賣網站建置平台,僅提供會員查詢-新北市,鶯歌區,公寓-等房屋資訊參考,並不涉入任何諮詢、交易。 物件(服務)聯絡人公佈的資訊、文字、照片、圖形、產權、廣告內容、或其他資料若有不實或違法情事,或與客戶聯絡交易過程中若衍生民事或刑事等法律問題,皆與House-Info房屋網站無關,所有商標、文章、名稱等版權,皆歸屬原著作者所有!